MSO2000X 系列
MSO2000X系列混合信号示波器,采样率最高5GSa/s,每通道存储深度可达100Mpts。采用独有的 Ultra Phospho® 3.0技术,波形捕获率高达2,000,000 wfms/s,具有 256 级辉度等级色温显示,先进的数字触发系统,触发灵敏度高,触发精度达到10ps;支持多种高级触发、串行总线触发和解码;支持频谱分析、电源分析、直方图、波形录制、增强分辨率、通过测试、搜索和导航等高级功能和分析模式;具备丰富的测量和数学运算功能。采用了 10.1 英寸电容式触摸屏,支持多种手势实现对波形的常用操作,以及WebServer实现远程操控一款功能全、性能强大的仪器设备。
MSO2000X系列混合信号示波器,采样率最高5GSa/s,每通道存储深度可达100Mpts。采用独有的 Ultra Phospho® 3.0技术,波形捕获率高达2,000,000 wfms/s,具有 256 级辉度等级色温显示,先进的数字触发系统,触发灵敏度高,触发精度达到10ps;支持多种高级触发、串行总线触发和解码;支持频谱分析、电源分析、直方图、波形录制、增强分辨率、通过测试、搜索和导航等高级功能和分析模式;具备丰富的测量和数学运算功能。采用了 10.1 英寸电容式触摸屏,支持多种手势实现对波形的常用操作,以及WebServer实现远程操控一款功能全、性能强大的仪器设备。
♦ 模拟通道数:4
♦ 模拟带宽:300MHz/200MHz/100MHz
♦ 最高实时采样率:5GSa/s
♦ 最大存储深度:100Mpts
♦ 最高波形捕获率:2,000,000 wfms/s
♦ 数字通道:16(opt.)
♦ 信号源:50MHz,2CH,(opt.)
♦ 模拟带宽:300MHz/200MHz/100MHz
♦ 最高实时采样率:5GSa/s
♦ 最大存储深度:100Mpts
♦ 最高波形捕获率:2,000,000 wfms/s
♦ 数字通道:16(opt.)
♦ 信号源:50MHz,2CH,(opt.)
九合一集成示波器
-协议分析仪
-波特图分析仪
-高精度频率计
-数字电压表
-电源分析仪
-函数/任意波形发生器
-频谱分析仪
-逻辑分析仪
-示波器

UItra Phosphor® 3.0
先进的软硬件架构
支持8路并行图形映射,处理速率达20Gbps
波形捕获率高达500,000wfms/s
顺序模式下达到1,500,000wfms/s
最小死区时间<1μs,让偶发信号和罕见异常无所遁形
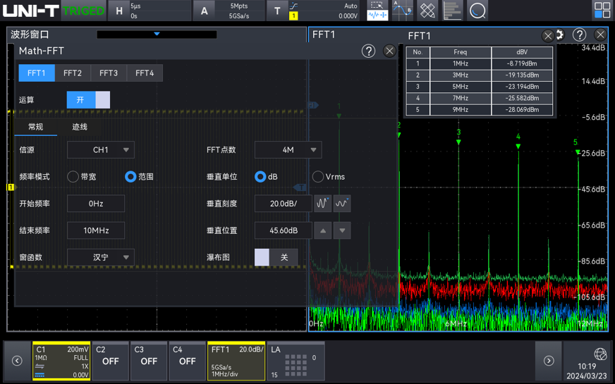
频谱分析仪
-FFT最大4M点
-瀑布图
-自动标记测量
-4种迹线显示
-4组FFT同时打开
搭载全硬件加速技术
实现最高4M点的极速采样,显著提升了频率与幅度的测量精度
创新融合峰值搜索与频域标记功能
助力用户精准无误地捕捉并深入剖析复杂信号动态
快速溯源问题,为用户带来极致的测试体验
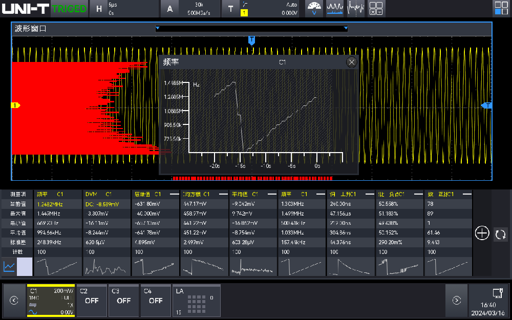
56种:测量、统计、趋势图
56种精密参数自动测量
覆盖电压、频率、相位、功率等多个维度
整合先进的参数统计与趋势图可视化分析功能
全方位、立体化展现信号特性变化 实现专业级深度洞察与高效数据解读
硬件加速模板测试:6σ 标准 < 1s
电子信号的 6σ 标准是一个不超过百万分之3.4故障率(DPMO)的流程
这表明每1,000,000 个样本中只有3.4 个异常值凭借超高的硬件捕获率
硬件加速模板测试可保持Ultra Phosphor 3.0捕获率完全不下降
在1s内完成符合特定标准的波形测试
9种主流协议一站式支持
9种主流协议一站式支持,涵盖
嵌入式:RS232/URAT、I2C、SPI
汽车:CAN、CAN-FD、LIN、FlexRay、SENT
音频:AUDIO(I2S, LJ, RJ, TDM)
具备精准异常触发捕获及实时解码能力 200M数据解码小于1s,且创新支持四总线同步分析
为复杂通信系统提供疾速、深度的协议解析解决方案
电源分析7种
-电源抑制比
-闭环控制响应分析
-电能质量评估
-电流谐波检测
-浪涌电流分析功能
-输出纹波分析
-功率效率分析
为电源系统性能鉴定、稳定性评估与优化
提供全方位、专业化解决方案,提升能源效率与系统稳定性

-协议分析仪
-波特图分析仪
-高精度频率计
-数字电压表
-电源分析仪
-函数/任意波形发生器
-频谱分析仪
-逻辑分析仪
-示波器

先进的软硬件架构
支持8路并行图形映射,处理速率达20Gbps
波形捕获率高达500,000wfms/s
顺序模式下达到1,500,000wfms/s
最小死区时间<1μs,让偶发信号和罕见异常无所遁形
-FFT最大4M点
-瀑布图
-自动标记测量
-4种迹线显示
-4组FFT同时打开
搭载全硬件加速技术
实现最高4M点的极速采样,显著提升了频率与幅度的测量精度
创新融合峰值搜索与频域标记功能
助力用户精准无误地捕捉并深入剖析复杂信号动态
快速溯源问题,为用户带来极致的测试体验
56种精密参数自动测量
覆盖电压、频率、相位、功率等多个维度
整合先进的参数统计与趋势图可视化分析功能
全方位、立体化展现信号特性变化 实现专业级深度洞察与高效数据解读
电子信号的 6σ 标准是一个不超过百万分之3.4故障率(DPMO)的流程
这表明每1,000,000 个样本中只有3.4 个异常值凭借超高的硬件捕获率
硬件加速模板测试可保持Ultra Phosphor 3.0捕获率完全不下降
在1s内完成符合特定标准的波形测试
9种主流协议一站式支持,涵盖
嵌入式:RS232/URAT、I2C、SPI
汽车:CAN、CAN-FD、LIN、FlexRay、SENT
音频:AUDIO(I2S, LJ, RJ, TDM)
具备精准异常触发捕获及实时解码能力 200M数据解码小于1s,且创新支持四总线同步分析
为复杂通信系统提供疾速、深度的协议解析解决方案
-电源抑制比
-闭环控制响应分析
-电能质量评估
-电流谐波检测
-浪涌电流分析功能
-输出纹波分析
-功率效率分析
为电源系统性能鉴定、稳定性评估与优化
提供全方位、专业化解决方案,提升能源效率与系统稳定性

获取报价
产品资料