- 新闻资讯 >
- 资讯详情
泰克助力高效功率器件评估,深度解析功率半导体双脉冲测试
2025-05-30
双脉冲测试的目标参数
在设计功率转换器时,理想状态是功率损耗为零,但现实中开关损耗不可避免。传统的硅基转换器效率约为87%至90%,这意味着10%至13%的输入功率以废热形式耗散,其中大部分损耗发生在MOSFET或IGBT等开关器件中。因此,精确测量这些器件的开关参数对于优化设计、提升效率至关重要。
双脉冲测试的目标是测量以下开关参数:
• 导通参数:包括导通延迟时间td(on)、VDS下降时间tf、导通时间ton、最大漏极电流ID、dv/dt、di/dt、导通能量Eon和动态导通电阻RDS(on)。
• 关断参数:包括关断延迟时间td(off)、VDS上升时间tr、关断时间toff、最大漏源电压VDSM、dv/dt、di/dt、关断能量Eoff和输出电荷Qoss。
• 反向恢复参数:包括反向恢复时间tr、反向恢复电流Ir、反向恢复电荷Qrr、反向恢复能量Err和正向导通电压VSD。
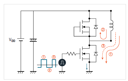
双脉冲测试的三阶段典型的双脉冲测试电路如图1所示,通过高侧和低侧FET的配置,实现对功率器件的精确测量。
1)建立目标测试电流,调整第一个脉冲的宽度以通过负载电感提供所需的测试电流。
2)第一个脉冲的关断及测量,此时 Id已达到目标测试电流,并在功率器件关断时降至零。测量关断延迟(td(off))、下降时间( tf )、关断时间( toff)、关断能量(Eoff)、dv/dt 和di/dt。负载电流从负载电感流经续流二极管。关断时间保持较短以将负载电流维持在目标Id。
3)第二个脉冲的导通及测量,在此阶段进行导通测量,目标Id开始重新流入功率器件。导通期间的电流过冲是由于续流二极管反向恢复时的暂时过量电流。第二个脉冲宽度仅保持足够长以确保稳定测量,同时避免过热。
图1:用于测量低侧FET开关损耗的双脉冲测试电路;
图2:以MOSFET为DUT的电流流向;
图3:以IGBT为DUT的电流流向。
泰克科技提供全面的仪器、探头和软件,以满足双脉冲测试的需求。典型的仪器配置可参考下图所示,节选自《SiC功率器件:特性、测试和应用技术》第二版。
随着国产碳化硅产业的蓬勃发展,此次第二版的更新,无疑为工程师和科研工作者提供了与时俱进的行业动态与技术指引。
在此,我们也更新了双脉冲测试的应用指南,提供详细的双脉冲测试示例详解。
■ 导通能量与关断能量计算方法
■ 反向恢复能量损耗计算公式
■ 双脉冲测试软件的自动化测量功能,与手动测试方法的对比
■ 双脉冲测试的示波器探头选择
■ 高/低侧开关测量的探头连接
■ 测量低侧二极管反向恢复参数的探头配置
■ 双脉冲测试测量示例详解
双脉冲测试
双脉冲测试是功率半导体器件测试的关键技术,泰克科技凭借其先进的仪器和软件,为工程师提供了强大的测试支持。高远先生的新书《SiC功率器件:特性、测试和应用技术》进一步深化了对SiC器件测试技术的理解,为行业的发展提供了宝贵的参考。
200

